M£20iAÐÍ»úеÈËΪ6ÖáÔöÇ¿Ð͹¤Òµ»úеÈ˼´ÊàŦÐÍÊÖ±Û»úеÈË£¬½ÓÄɵÄÐÂÐͽ»Á÷ËÅ·þµç»ú¾ßÓнṹ½ô´Õ¡¢¸ßÊä³ö¡¢ÏìÓ¦¿ì¡¢¸ß¿É¿¿ÐÔµÈÌØµã¡£»úеÈ˵ÄÊÖ±Û¾ßÓÐϸ³¤¶ø½ô´ÕµÄÉè¼Æ£¬ÓÉÓÚ¸÷¸öÖáµÄ¶¯Ì¬ÐÔÄܸߣ¬°ü¹ÜÁËÓÅÁ¼µÄº¸½Ó¾«¶È¡¢ËÙÂʺͿÉÖØ¸´ÐÔ¡£
¸ßÇ¿¶ÈµÄÊÖ±ÛÓëÏȶ˵ÄËÅ·þ¿ØÖÆÊÖÒÕÓÐÓÃÌá¸ßÁ˸÷ÖáµÄÐж¯ËÙÂʼ°¼Ó¼õËÙµÄÐÔÄÜ¡£Ô˶¯µÄ×÷ҵʱ¼äËõ¶Ì15%ÒÔÉÏ£¬ÊµÏÖÁËÐÐÒµÄڽϸߵÄÉú²úÄÜÁ¦¡£µç»ú´«¶¯ÖáÉÏ×°ÖÃÓÐÖÆ¶¯Æ÷£¬Í¨¹ý±ÕºÏµç·ÔÀíÐж¯£¬ÔÚʧµçµÄÇéÐÎÏÂ×Ô¶¯±§Õ¢£¬×èֹΣÏÕÐÔµÄÔ˶¯¡£
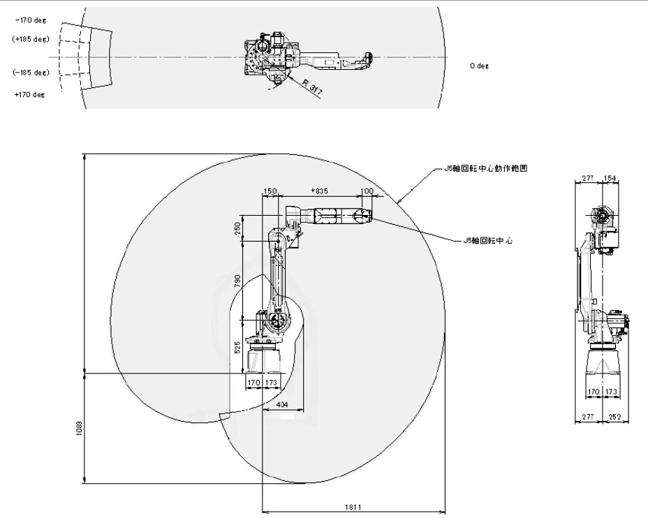
M£20ia»úеÈË
½á ¹¹ | ±ÊÖ±¶àÊàŦÐΣ¨6×ÔÓɶȣ© | |
µ¥Öá×î´ó | Öá1£¨ÅÌÐý£© | 340o |
Öá2£¨Éϱۣ© | 260 o | |
Öá3£¨Ï±ۣ© | 458o | |
Öá4£¨ÊÖÍóÅÌÐý£© | 400 o | |
Öá5£¨ÊÖÍó°Ú¶¯£© | 360 o | |
Öá6£¨ÊÖÍó»Ø×ª£© | 900 o | |
µ¥Öá×î´ó | Öá1 | 195 o /s |
Öá2 | 175o /s | |
Öá3 | 180 o /s | |
Öá4 | 360 o /s | |
Öá5 | 360 o /s | |
Öá6 | 550 o /s | |
Íâ²à×î´óÊÂÇé°ë¾¶ | 1811 mm | |
ÄÚ²à×îСÊÂÇé°ë¾¶ | 317 mm | |
ÖØ¸´¶¨Î»¾«¶È | ¡À0.08mm | |
¸ºÔØÖÊÁ¿ | Öá6×î´óºÉÔØ20kg | |
ÖØÁ¿ | 250 kg | |
×°Ö÷½·¨ | Ö±Á¢/Ðü¹Ò | |



