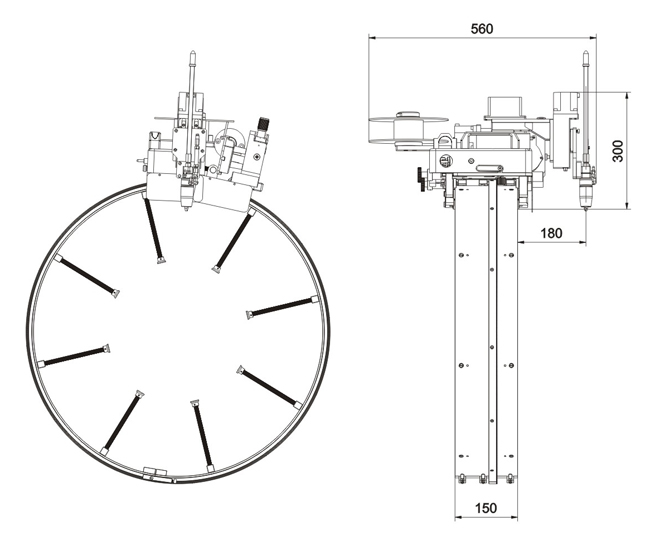
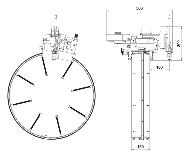
产品概述
该系统是专为超大管径的管管MIG焊接而设计的专用小车,需选配响应的齿圈可对大于φ300mm的管子举行焊接,可以实现打底焊接、填充焊接、盖面焊接。专配为管道焊接设计的电源,特殊适合工程液化气管道装置,石油管道装置以及工厂预制。
性能特点
齿轮传动模式、旋转速率稳固可靠;
奇异的MAG焊双向打底焊接工艺,较洪流平知足重大多变的工况条件;
接纳双水冷冷却方法,便于大管径、大壁厚填充盖面焊接工艺使用;
一体式送丝系统结构设计,包管送丝平稳;
可选配差别的导圈,完成州差别管径的工件焊接;
手艺参数
管子外径(mm) | 300-1500(12″~60″) |
焊炬旋转速率mm/min | 40~500 |
横摆宽度mm | 50 |
弧长高度mm | 50 |
焊炬冷却方法 | 循环水冷 |
讨论形式 | 直管对接、管弯头对接 |
![]()
![]()




